液压的基本回路详解(推荐给机械人员)
速度控制回路是研究液压系统的速度调节和变换问题,常用的速度控制回路有调速回路、快速回路、速度换接回路等,本节中分别对上述三种回路进行介绍。
调速回路
调速回路的基本原理 从液压马达的工作原理可知,液压马达的转速nM由输入流量和液压马达的排量Vm决定,即nM=q/V m,液压缸的运动速度v由输入流量和液压缸的有效作用面积A决定,即v=q/A。
通过上面的关系可以知道,要想调节液压马达的转速nM或液压缸的运动速度v,可通过改变输入流量q、改变液压马达的排量V m和改变缸的有效作用面积A等方法来实现。由于液压缸的有效面积A是定值,只有改变流量q的大小来调速,而改变输入流量q,可以通过采用流量阀或变量泵来实现,改变液压马达的排量V m,可通过采用变量液压马达来实现,因此,调速回路主要有以下三种方式:
1)节流调速回路:由定量泵供油,用流量阀调节进入或流出执行机构的流量来实现调速;
2)容积调速回路:用调节变量泵或变量马达的排量来调速;
3)容积节流调速回路:用限压变量泵供油,由流量阀调节进入执行机构的流量,并使变量泵的流量与调节阀的调节流量相适应来实现调速。此外还可采用几个定量泵并联,按不同速度需要,启动一个泵或几个泵供油实现分级调速。
节流调速回路

液压的基本回路详解(推荐给机械人员)
图7—1
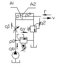
节流调速原理。 节流调速回路是通过调节流量阀的通流截面积大小来改变进行执行机构的流量,从而实现运动速度的调节。
如图7—1所示,如果调节回路里只有节流阀,则液压泵输出的油液全部经节流阀流进液压缸。改变节流阀节流口的大小,只能改变油液流经节流阀速度的大小,而总的流量不会改变,在这种情况下节流阀不能起调节流量的作用,液压缸的速度不会改变。
进油调速回路是将节流阀装在执行机构的进油路上,起调速原理如图7-2(a)所示.

液压的基本回路详解(推荐给机械人员)

液压的基本回路详解(推荐给机械人员)
图7—2(a)进油节流调速回路
A. A. 回路的特点
因为是定量泵供油,流量恒定,溢流阀调定压力为pt,泵的供油压力p0,进入液压缸的流量q1由节流阀的调节开口面积a确定,压力作用在活塞A1上,克服负载F,推动活塞以速度v=q1/A1向右运动。因为定量泵供油, q1小于qB ,所以p0=溢流阀调定供油压力pt=const
活塞受力平衡方程:
p1 A1= F +p2 A2
进入油缸的流量
q1=Ka▽pm
▽p= pb-F/A1
q1=Ka (pb-F/A1)m
B. B. 进油节流调速回路的速度-负载特性方程为

液压的基本回路详解(推荐给机械人员)
(7-1)
式中:k为与节流口形式、液流状态、油液性质等有关的节流阀的系数;a为节流口的通流面积;m为节流阀口指数(薄壁小孔,m=0.5)。由式(7-1)可知,当F
增大,a一定时,速度v减小。
C.进油节流调速回路的速度-负载特性曲线

液压的基本回路详解(推荐给机械人员)
图7-2(c)速度负载特性
D.进油节流调速回路的优点是:液压缸回油腔和回油管中压力较低,当采用单杆活塞杆液压缸,使油液进入无杆腔中,其有效工作面积较大,可以得到较大的推力和较低的运动速度,这种回路多用于要求冲击小、负载变动小的液压系统中。
E.回路效率
η=FV/qBp0
qBp0= p0q1+p0qY
= p1q1+▽p q1 +p0qY 如图:

液压的基本回路详解(推荐给机械人员)
p1q1= FV 有用功率

液压的基本回路详解(推荐给机械人员)
▽p q1节流损失
pbqY——溢流损失
所以在20%左右
回油节流调速回路将节流阀安装在液压缸的回油路上,其调速原理如图7-2(b)所示。

液压的基本回路详解(推荐给机械人员)
图7-2(b)回油节
A.回路的特点
因为是定量泵供油,流量恒定,溢流阀调定压力为pt,泵的供油压力p0,进入液压缸的流量q1,液压缸输出的流量q2,q2由节流阀的调节开口面积a确定,压力p1作用在活塞A1上,压力p2作用在活塞A2上,推动活塞以速度v=q1/A1向右运动,克服负载F做功。
因v=q1/A1=q2/A2
q1=q2A1/A2
q1小于qB, 所以p0=溢流阀调定供油压力pt=const=p1
活塞受力平衡方程:
p1 A1= F +p2 A2
p2 =(p1 A1 –F)/ A2
F=0时 p2 =p1 A1 / A2>p1
q2=Ka▽pm
▽p=p2= (p1A1-F)/ A2
q2=Ka[(p1A1-F)/ A2]m
B. 回油节流调速回路的速度-负载特性方程为:

液压的基本回路详解(推荐给机械人员)
(7—2)
式中:k为与节流口形式、液流状态、油液性质等有关的节流阀的系数;a为节流口的通流面积;m为节流阀口指数(薄壁小孔,m=0.5)。由式(7-1)可知,当F增大,a一定时,速度v减小。
C. C. 回油节流调速回路的速度-负载特性曲线如图7—2c

液压的基本回路详解(推荐给机械人员)
图7-2(c)速度负载特性
D. D. 回油节流调速回路的优点:
节流阀在回油路上可以产生背压,相对进油调速而言,运动比较平稳,常用于负载变化较大,要求运动平稳的液压系统中。而且在a一定时,速度v随负载F增加而减小。
E.回路效率
η=FV/qBpb
qBpb= pbq1+pbqY
= q1(F+A2 p2)/A1+▽p q1 +pbqY
=vF+q2p2+pbqy 如图:

液压的基本回路详解(推荐给机械人员)
p1q1= FV 有用功率
q2p2

液压的基本回路详解(推荐给机械人员)
=▽p q2_______节流损失
pbqY——溢流损失
所以在20%左右
如图7—2(a)、(b)所示,将节流阀串联在回路中,节流阀和溢流阀相当于并联的两个液阻,定量泵输出的流量q B不变,经节流阀流入液压缸的流量q 1和经溢流阀流回油箱的流量

液压的基本回路详解(推荐给机械人员)
q的大小,由节流阀和溢流阀液阻的相对大小决定。节流阀通过改变节流口的通流截面,可以在较大范围内改变其液阻,从而改变进入液压缸的流量,调节液压缸的速度。
这种回路由定量泵、安全阀、液压缸和节流阀组成,节流阀安装在与液压缸并联的旁油路上,其调速原理如图7-3所示。

液压的基本回路详解(推荐给机械人员)

液压的基本回路详解(推荐给机械人员)
图7—3旁路节流调速回路
定油泵输出的流量q B,一部分(q1) 进入液压缸,一部分(q2)通过节流阀流回油箱。溢流阀在这里起安全作用,回路正常工作时,溢流阀不打开,当供油压力超过正常工作压力时,溢流阀才打开,以防过载。溢流阀的调节压力应大于回路正常工作压力,在这种回路中,缸的进油压力p1等于泵的供油压力p B,溢流阀的调节压力一般为缸克服最大负载所需的工作压力的p1max1.1~1.3倍.
